工廠地址:深圳市寶安區福永街道鳳凰興業一路華倫科技園21棟2樓
楊 總:13828709518
雷 總:13923457816
郵箱:yangdekai@hctlcd.com
QQ:417594796
Products Center
Contact Us
工廠地址:深圳市寶安區福永街道鳳凰興業一路華倫科技園21棟2樓
楊 總:13828709518
雷 總:13923457816
郵箱:yangdekai@hctlcd.com
QQ:417594796
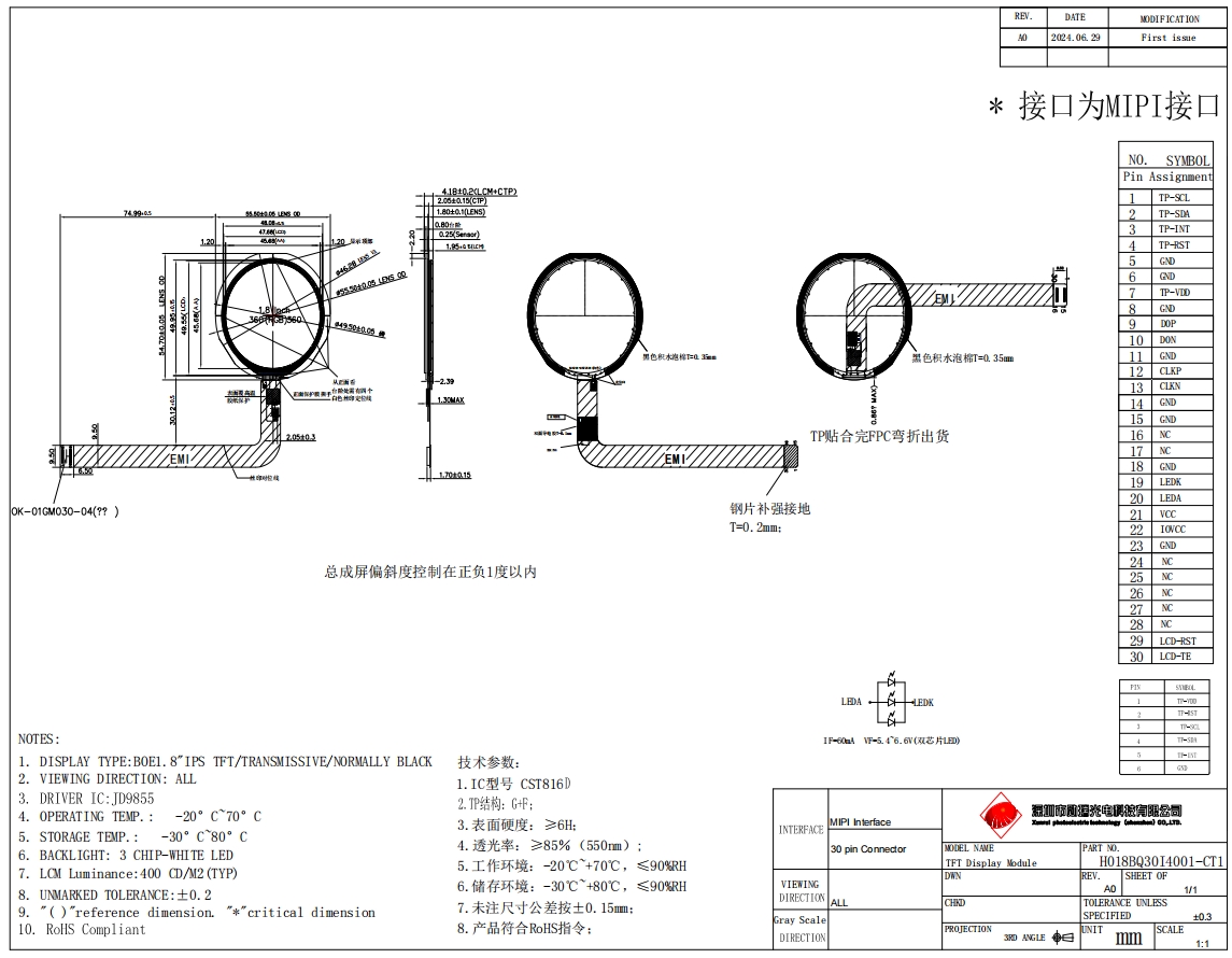
型號 | H018BQ30I4001 |
尺寸 | 1.8 inch |
分辨率 | 360×360 |
接口 | 30PIN MIPI |
外觀尺寸 | 48.08(W)×49.95(H)×1.95(T) |
顯示尺寸 | 45.684(W)×45.684(H) |
亮度 | 400 nits |
視角 | ALL |
工作溫度 | -20℃ ~ +70℃ |
觸摸屏 | 可定制觸摸 |
接口定義:
產品參數:
產品圖紙: